Objective:
- Interface a Seven Segment LED Display with LabVIEW using NI USB 6008.
- Drive the Seven segment LED display so that it can display numeric value from 0 to 9 which is controlled from the front panel numeric control.
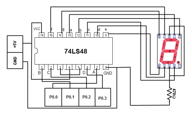
- Design the front panel as shown in fig.
Apparatus
Required:
- Common cathode Seven Segment Display
- Breadboard
- Jumper wires
- NI USB 6008 multifunction DAQ
- 470 Ω resistor.
- BCD to Seven segment driver IC 74LS48
Procedure:
- Connect the component as per the circuit diagram shown above.
- In the diagram pin 3, 4 and 5 are connected to +5V Vcc.
- Connect the USB cable of DAQ to one of the USB ports of the PC.
- Open the LabVIEW software and create a new VI. Bring the ‘DAQ Asst’ VI into the block diagram by right clicking over it go to Express------>Inputs-------->DAQ Asst.
- Select the proper channel of the DAQ as Generate Signals------->Digital------->Line----->P0.0, P0.1, P0.2, P0.3 (select the line sequentially by holding the Ctrl key)then click on finish.
- A configuration window will be opened, make no change here, directly click on OK button.
- Now the LabVIEW will configure the DAQ and Build it.
- A ‘DAQ Asst’ function block will appear on the block diagram and it has an input variable named ‘Data’. It has an inward arrow (input for the DAQ) means the data generated by the VI is ready to out through DAQ.
- Here an array of four Boolean data should be generated from LabVIEW through the DAQ to drive a seven segment LED.
- In the front panel there should be a numeric control which can be varied from 0 through 9. And this numeric data should be converted into a four bit BCD code by the LabVIEW using your logic.
- An array of four Boolean indicator should be in front panel to reflect the BCD code corresponding to the numeric value.

No comments:
Post a Comment